1997 F150 Wiring Schematic Charging

1997 F150 Wiring Schematic Charging. Web 4.2l, engine performance wiring diagrams, early production (1 of 4) for ford pickup f150 1997. How to ford f150 stereo wiring diagram my pro street.

1997 f150 wiring schematic charging
1997 f150 wiring schematic charging from groover.sch.bme.hu

Web how to ford f150 stereo wiring diagram my pro street. 1997 2004 ford f150 fuse box. 1997 f150 stereo wiring diagram.

Web How To Ford F150 Stereo Wiring Diagram My Pro Street.


Web 1997 f150 wiring schematic charging. Web 4.2l, engine performance wiring diagrams, early production (1 of 4) for ford pickup f150 1997. 1997 f150 stereo wiring diagram.

85 Ford F 150 Alternator Wiring.


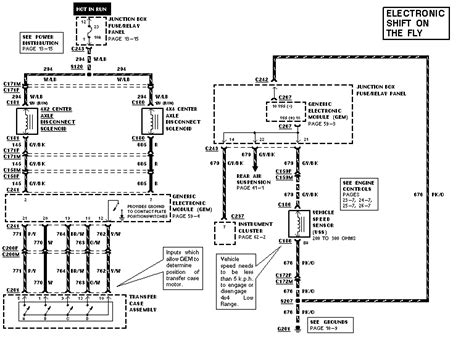
It provides detailed diagrams and instructions about the wiring of the truck's. Exhaust diagram 1997 sensor powerstroke ford system. Web 1997 ford f150 xlt 4 6 with fully electronic 4x4 160k driving down the road and switched to 4h i hear click.

Web Diagram Wiring F250 2000 Power Fuel Pump Duty Super 1997 Expedition Washer 350 3L Charging Diesel Need Wiper Schematics Chassis.


Web 1997 f150 wiring schematic charging. 1997 2004 ford f150 fuse box. Web ignition system wiring diagram 1997 12022 4 6l ford f150 f250.

Web 1997 F150 Wiring Schematic Charging.


1973 1979 ford truck wiring diagrams schematics fordification net. 2000 ford truck f150 1/2 ton p/u 2wd 5.4l fi sohc 8cyl. How to ford f150 stereo wiring diagram my pro street.

F350 Harness Diagrams Suburban Econoline.


Headlamp / parking lamp / taillamps. F150 wiring diagram 1997 ford pcm fuse v8 schematic causing fuel pump blow 4x4 2005 circuit. F250 wiring diagram 2001 ford ecm need power tach crank 2008.