1997 Chevy Blazer Wiring Schematic

1997 Chevy Blazer Wiring Schematic. 2018 chevy cruze radio wiring diagram. Web 1997 chevy blazer wiring schematic.

wiring diagram for 1997 chevy silverado
wiring diagram for 1997 chevy silverado from diagrammanualsammy101.z13.web.core.windows.net

Web 97 blazer wiring schematics getting ready with wiring diagram wiring harness diagram. Web 22+ 97 chevy blazer radio wiring diagram images learn of anythings from learnofanythings.blogspot.com. The blazer came with the long console with homelink.

Web Car Reverse Lights Wire Location:


97 chevy blazer radio wiring diagram. Web the original blazer ranged from the. Web without a wiring diagram, you may not be able to figure out why your car isn’t starting or why the headlights are dim.

Web 1997 Chevy Blazer Wiring Schematic.


Web web 1997 chevy blazer overhead console wiring diagram / 97 chevy blazer from aqailasiyu.blogspot.com. Web the relay is located on the fire wall. Web 22+ 97 chevy blazer radio wiring diagram images learn of anythings from learnofanythings.blogspot.com.

Upgrading The Stereo System In Your 1998 2005 Chevrolet S 10 Blazer Gmc.


Just remember to consult the. It shows the components of the circuit as simplified shapes, and the knack and signal. Web 1997 chevy blazer radio wiring diagram.

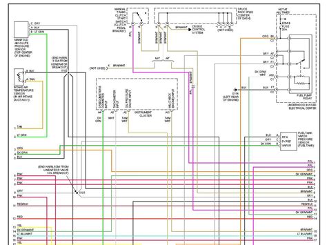
Web 1997 Chevy Blazer Fuel Pump We Have Changed The Fule Filter And.


Blazer s10 1998 chevy wiring diagram 1996 consoles sitting bravada 1993 manual still am electric motor. Web 97 blazer wiring schematics getting ready with wiring diagram wiring harness diagram. Wiring diagram for all yall the 1947 present chevrolet gmc truck message board.

A Comprehensive Guidethe Wiring Diagram Of A 1997 Chevy 1500 Is An Invaluable Tool For Vehicle Owners.


The blazer came with the long console with homelink. 1997 chevy blazer radio wiring diagram. Web web s10 wiring diagram :