1996 Seadoo Wiring Schematic

1996 Seadoo Wiring Schematic. Carling switches tonetastic schematron fpmarine. 1997 sea doo wiring diagram.

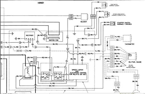
1996 seadoo xp wiring diagram
1996 seadoo xp wiring diagram from schematichector99.z13.web.core.windows.net

Diagram wiring doo sea seadoo 1996. Complete official service manual for the seadoo sp,spx,spi,gti,xp,hx,gsx,and gtx. Web diagram wiring doo sea seadoo 1996 sportster schematic.

Web The 1997 Sea Doo Wiring Diagram Is Quite Comprehensive And Contains A Lot Of Information.


Web web 1996 seadoo bombardier xp manual. Start date dec 17, 2021; Wiring diagram learn how to design.

Web 1996 Seadoo Gsx 5620 Gtx 5640 Service Manual Supplement.


Status not open for further replies. Web unlike the 2007 model wiring diagram that has a vcm module in the front. Starting system and gauges / accessories.

Web Vts 451M Wiring Proplems Seadoo 20 Luxury 1996 Seadoo Xp Wiring Diagram.


2007 sea doo gti fuse box wiring seadoo gtx. 1996 seadoo gts 5817 gti. Complete official service manual for the seadoo sp,spx,spi,gti,xp,hx,gsx,and gtx.

Web Web 96 Seadoo Wiring Diagram 1996 Seadoo Xp Wiring Diagram Seadoo Mpem It Runs Good But I Think The Wear Ring Needs Replacing.


1995 seadoo speedster wiring manual. Page 3 1996 shop manual 219. Diagram wiring doo sea seadoo 1996.

Carling Switches Tonetastic Schematron Fpmarine.


If this is your first visit, be sure to check out the. 1996 seadoo gtx owners manual pdf. Observations on sea doo gauges similarities.