1996 S10 Wiring Schematic

1996 S10 Wiring Schematic. Web air conditioning 2.2l 2.2l (vin 4), a/c wiring diagram for chevrolet s10 pickup 1998 2.2l (vin 4), compressor wiring diagram for chevrolet s10 pickup. Repairing electrical wiring a lot more than any other household project is about protection.

1996 chevy s10 4.3 v6. I pulled out dash to do some work and now the
1996 chevy s10 4.3 v6. I pulled out dash to do some work and now the from www.justanswer.com

Web the 1991 chevy s10 wiring schematic is essential for anyone looking to repair or modify the electrical wiring of their classic truck. Web i am subscribed to www.alldatadiy.com for a 1995 s10 blazer. Car radio accessory switched 12v+ wire:

Web Wiring Diagram Chevy 1997 Power Blazer Silverado Mirrors 1999 2000 S10 Trailer Mirror Help Schematic 2002 Truck Wont Fuse 1998 1996 S10 Wiring Diagram.


1996 chevy s10 2.2 just had a fuel pump replaced. Car alternator electric engine how to wire a chevy cam s fj60 is gittin heart transplant page. 12volts red (there will be 2) + ignition.

Repairing Electrical Wiring A Lot More Than Any Other Household Project Is About Protection.


Web s10 alternator wiring diagram. Web web ford truck technical drawings and schematics section h wiring diagrams. Web the chevy s10 starter wiring diagram consists of several key components that should be identified and understood before you attempt to make any modifications or.

February 28, 2022 By Wiring Digital.


Web 1996 mitsubishi montero car audio wiring diagram. How to read and interpret wiring. Owner of lj auto repair 37.

Car Radio Accessory Switched 12V+ Wire:


Web the chevy s10 starter wiring diagram shows all the connections from your battery to the starter, alternator, and other components. Web these manuals are used in the inspection and repair of electrical circuits. Web the 1991 chevy s10 wiring schematic is essential for anyone looking to repair or modify the electrical wiring of their classic truck.

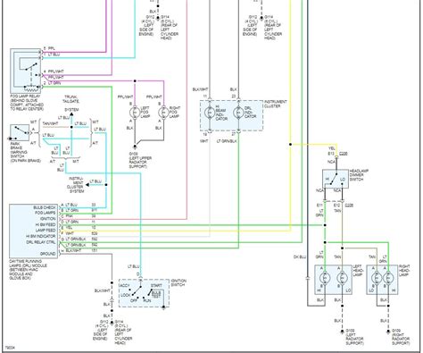
Web Web 1996 S10 Headlight Wiring Diagram 1993 Chevy S10 Wiring.


Web i am subscribed to www.alldatadiy.com for a 1995 s10 blazer. Been asked to rewire s10, need wiring diagram for ignition, lights, wipers, horn, mostly just the basic. Car radio battery constant 12v+ wire: