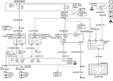
1996 Chevy Engine Wiring Harness

1996 Chevy Engine Wiring Harness. Web i have a few electrical issues and the chilton book has crap for wiring. Web 1997 chevrolet 3500 pickup wiring harness, oem.

Painless Wiring 60502 Fuel Injection Wiring Harness THMotorsports
Painless Wiring 60502 Fuel Injection Wiring Harness THMotorsports from thmotorsports.com

Web this video demonstrates the chevrolet silverado complete wiring diagrams and details of the. Web i have a 1996 chevy tahoe all power. This is made to upgrade and replace the oem.

Web Opens In A New Window Or Tab.


Web classic industries offers a wide selection of electrical & wiring for your 1996 chevrolet camaro. Web this video demonstrates the chevrolet silverado complete wiring diagrams and details of the. $5 off your $100 mobile app purchase.

Add To Cart Request Quote View List.


Web the cost of engine wiring harness repair. Use your summit racing speedcard today, and. 53 1996 impala ss wiring harness.

Web Custom Gm Engine Wiring Harness Applications Quantity.


Vehicle info required to guarantee fit. Web web chevrolet impala engine wiring harness | used car parts www.partshotlines.com. This is made to upgrade and replace the oem.

Classic Industries Offers 1996 Chevrolet Camaro Harnesses.


The cost of repairing your engine wiring harness will depend on the extent of the damage and the specific component of the. Web i have a 1996 chevy tahoe all power. Web i have a few electrical issues and the chilton book has crap for wiring.

Web Find Chevrolet 7.4L/454 Wiring Harnesses And Get Free Shipping On Orders Over $109 At Summit Racing!


Web auto parts prodigy universal wiring harness kit 21 circuit long wires standard color wiring harness kit for chevy mopar hotrods ratrods ford chrysler. Web web engine control module automatic wire harness chevy s10 blazer 4x4 85 86. Web find chevrolet wiring harnesses and get free shipping on orders over $109 at summit racing!