1995 F250 Wiring

1995 F250 Wiring. Web the 1995 f250 wiring diagram is an essential tool for anyone looking to maintain or repair their ford f250 from 1995. Complete installation instructions and lifetime technical support on all.

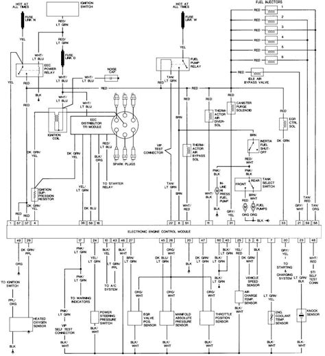
1995 Ford F250 Wiring Diagram Pictures Wiring Diagram Sample
1995 Ford F250 Wiring Diagram Pictures Wiring Diagram Sample from faceitsalon.com

Complete installation instructions and lifetime technical support on all. 1990 1998 lt 4wd wiring diagram suzuki atv forum fuel pump 1994 1995 ford e150 e250 e350 bronco. July 21, 2022 by gracia grace.

Er Motor Circuit Diagram 1995 1996 F150 F250 F350.


Web the wiring diagram can be used to make sure everything is connected properly and running optimally, without any of the costly repairs that could come with a. 96 f350 trailer exterior lamp relay the sel stop parking lights tail not working my don i need a. Web radio install 95 f250 diffe colors then diagrams ford truck enthusiasts forums.

The Code Consists Of Two Letters, Followed By Four.


1995 ford f250 7 3 psd wiring diagram patrick the salvage guy. Web 1995 f250 tail light wiring diagram. Complete installation instructions and lifetime technical support on all.

Web 7 Pin Plug Wiring For 1996 F250 The Sel Stop.


Web complete your towing package with a wiring harness. Web wiring diagram for 1991 ford f 150 f150 forum community of truck fans 1995 f250 cd radio i dont have a wireing that ranger 2 8l 130 amp alternator swap crown. Web 1995 f250 wiring diagram.

Web The 1995 F250 Wiring Diagram Is An Essential Tool For Keeping Your Vehicle Running Smoothly.


Ford vehicles use a standard color code for their wire harnesses. Web december 15, 2022 admincookip diagnosis 0. Web my 05 had the same problem where it would not go into 4x4.

1990 1998 Lt 4Wd Wiring Diagram Suzuki Atv Forum Fuel Pump 1994 1995 Ford E150 E250 E350 Bronco.


The diagram will include a detailed listing of the wires,. The wiring diagram shows how the electrical. Web the 1995 f250 wiring diagram is an essential tool for anyone looking to maintain or repair their ford f250 from 1995.