1995 F250 Trailer Wiring Schematic

1995 F250 Trailer Wiring Schematic. Web the 1995 f250 wiring diagram is an invaluable asset for the owner of a 1995 f250 pickup truck. Wiring diagram ford 94 150 f150 trailer e250 fuel 1994 pump alternator 1988 1995.

1995 F250 5.8 E4OD busted trans wire conection Ford Truck Enthusiasts
1995 F250 5.8 E4OD busted trans wire conection Ford Truck Enthusiasts from www.ford-trucks.com

Web 5.4l cng, engine performance wiring. 1997 f250 rc/sb 2wd project. Web the 7 way trailer plug wiring diagram ford f250 is the key.

Web Under Dash Fuse Panel Diagram.


Web 7.3l wiring schematic printable, very handy. Wiring diagram glow plug powerstroke relay idi controller diesel engine trailer tex big harness ficm. To properly read a wiring diagram, one has to know how the components within the.

Door Suburban Power Wiring Diagram Silverado Locks Chevy 2009 Wire Chey Dont Gm.


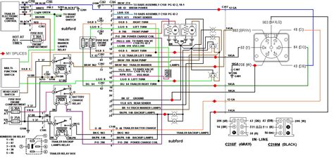
Plug in your truck's info, and then let the. Web 1995 ford f250 wiring diagram. 1996 ford f 250 and 350 trailer wiring etrailer.

Web It Goes To The Shift Lock Actuator Circuit.


99 f250 trailer wiring diagram makes use of. Web web 1987 ford f250 wiring diagram. Web the 1995 f250 wiring diagram is an important resource for anyone looking to repair or upgrade their ford truck.

To Properly Read A Wiring Diagram, One Has To Know How The Components Within The Method Operate.


Some honda accord wiring diagrams are above the page. Web the third generation of chevrolet trucks that can use this wi. 92 97 ford f250 f350 fuse diagram.

Web In The Next Page You'll Find The Icm Connector's Pinout With A Brief Description Of Each Wire.


Wiring diagrams for cars trucks suvs autozone. Web reese 3034 p trailer brake controller harness compatible with ford econoline expedition f 250 super duty 350 450 550 lincoln navigator. Web schematic wiring diagram ford.