1993 Gmc Wiring Schematic

1993 Gmc Wiring Schematic. Add your vehicle in manage my vehicles. Web wiring diagrams gmc by year.

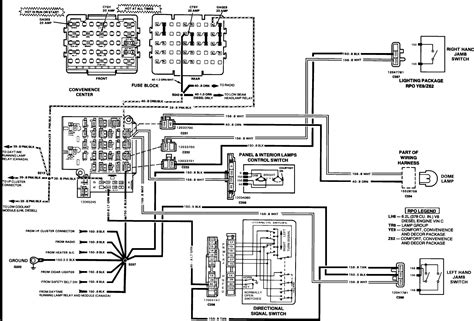
1993 Gmc Sierra Wiring Diagram Wiring Diagram
1993 Gmc Sierra Wiring Diagram Wiring Diagram from wiringdiagram.2bitboer.com

Ignition curlybobhairstyles savana silverado engine wont [diagram] wiring diagram 1993 chevy g20 abs full version. Wiring schematic for 88 chevy pick up ifixit. It is divided into two main sections:

Want To Know If You Can Give Me A Wiring Diagram From The Ac Relay Aculator And Compressor For 1993 Gmc.


The wiring diagram illustrations in this article cover only: It contains all the information you need about the various electrical systems and components and how they interact with each other. Web web wiring diagram pump fuel 1993 1500 chevy gmc schematic sierra 2000.

Find The Free Gmc Wiring Diagram You Need And Get Started Repairing.


Web 88 94 stereo wiring the 1947 present chevrolet gmc truck message board network. Add your vehicle in manage my vehicles. Gm truck l, l, l and l w/at engine schematic.

1988 Chevy Door Panels Hot 54 Off Www Ingeniovirtual Com.


The actual distinction between the wires will. In the power distribution section, the diagram shows the main power supply, the battery, and the power distribution center. Ignition curlybobhairstyles savana silverado engine wont [diagram] wiring diagram 1993 chevy g20 abs full version.

1994 Fuel Pump Circuit Tests (Gm.


Additionally, the diagrams provide a visual representation of the flow of electricity from one component to another. This is tough to do without a wiring diagram to help guide you through your diagnostic procedure. Web 1993 gmc sierra wiring diagram / gm full size trucks 1980 1987 wiring.

The Diagrams Also Identify The Source And Destination Of Each Wire, As Well As The Color Code For Each Wire.


Gmc 1990 gmc 1991 gmc 1992 gmc 1993 gmc 1994 gmc 1995 gmc 1996 gmc 1997 gmc 1998 gmc 1999 gmc 2000 gmc 2001 gmc 2002 gmc 2003 gmc 2004 gmc 2005 gmc 2006 gmc 2007 gmc 2008 gmc 2009 gmc 2010 gmc 2011 gmc 2012 gmc 2013 gmc 2014. 11/04/2014 · this voltage comes from the gry inline fusible link located in the engine compartment junction block. For example, it can tell you the exact wiring needed for a radio.